So, I’m a guy, and a bit ago, I bought a sewing machine.
No one in my family of origin sews, nor does my wife, and I went to an all male high school with no home ec courses, so I was starting from scratch.
I went to the bookstores, the fabric stores, the craft stores, and the library, and was blown away by the available literature, or, by how useless it was to me. It seemed that nothing had been published in the last ten years, and everything was:
1) Designed for women and their unique body shapes, and 2) Covered with flowers.
This, says I, is unjust. The post-modern man should be able to sew: projects for his home, clothes for his body, gifts for his friends and family, and he should be able to do so guided by material that doesn’t presume he measures his body by bust-waist-hip standards or will only sew to match purchasable patterns.
This, of course, doesn’t mean that some men don’t like traditional stitchcrafts with their frills and fancies, or that they wouldn’t wanna make dresses or ballerina costumes, but then those men can rely on the standard literature and wouldn’t need an alternative.
Nor is it, by any means, a critique of the powerful contributions of women to the DIY culture. It comes, in fact, from the same energy that has encouraged women to move beyond traditional gender roles while maintaining distinctive feminine qualities. If Rosie can rivet, then we can sew.
And so, the fruits of my research:
Sewing For Dudes (and Ladies), No. 1: Gathering your Gear.
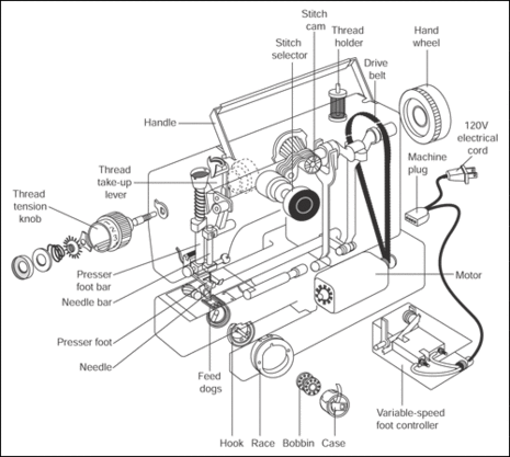
The Sewing Machine:
You can spend seventy or seven thousand dollars on a sewing machine. While your purchase price is up to you, there’s some good news: the price increases with the complications of the stitch. Therefore, unless you have an intense affinity for decorative embroidery, you can bypass the frills and computers and seek a basic machine that does a few things very well.
Hopefully, the people at the sewing machine sales center will provide information and answer any questions. Be clear about your goal: if you’re never gonna make an Amish-style quilt, tell her or him so. Don’t buy features you’ll never use, but don’t dismiss features that you don’t know how to use. Ask the salespeople to demonstrate the machines for you, and try them out yourselves. Notice the placement of the buttons, knobs, and levers. Can you thread the needle? Is the lamp adequate? Test the feel of the pedal. Have a look at the instruction manual. Before you leave the store, see if they offer classes, and sign up. You’ll probably be the only guy, but you’ll get over it, and learn a ton.
Unless you plan to make more than half your wardrobe or use your machine for hours on end, look for a general purpose or an electronic machine. A computerized machine or a serger might look sweet, but they’re bound to be cost prohibitive.
Unless they’re not, then buy one, and I’ll be jealous.
If you’re looking for advice on particular models, check out Hope Meng’s tips from Craftzine, or these tips from Not Martha.

Other Gear:
Scissors. Don’t skimp. Get a pair of all stainless bent-handle shears ($15-30), and don’t use them for anything else. Have them sharpened at least once a year, and they’ll last.

Iron. Hopefully, you’ve already got one (check on top of the ironing board). Make sure it has a thermostat, and abide by it. Use it to press all your seams and hems before sewing for a sharp crease.
Flexible Tape Measure. Whether you buy yours in the fabric store or the hardware store, you gotta get one. I like the retractable kind in the case, perhaps for familiarity’s sake.
Feet. Sewing feet are attachments for your machine that keep the fabric flat against the table. The type of stitch determines the choice of foot; your machine should include an all-purpose foot for straight and zig-zag stitches. A zipper foot is useful for zippers and making piping, and an edging foot helps with blind hemming and edging.
Seam Ripper. Get hip: you’re gonna make a mistake, and a seam ripper’s gonna be your best friend. If you’re like me, you’ll use it more than your scissors, and perhaps even the sewing machine itself. The best $3.00 you’ll spend.
Toolbox. Even dudes gots to keep their stuff organized. Look for an Artbox at the art supply store, or use a standard toolbox or tackle box. (It’s cool with me if you wanna get the tradtional wicker basket with a floral lining.)
Accoutrements:
The sewing world traditionally calls these things “notions”, which I guess means the small, disposable, and renewable items needed to stitch successfully. Call ‘em whatcha want, just make sure you get some.
Pins. Use them to hold stuff in place before you can sew edges together. Think of them like clamps. Or maybe screws. Anyways, store them in a pin cushion and pick them up when you drop them…and don’t sew without shoes. I have scars.

Needles. I know, I know, you just dropped two or three Benjamins on a sewing machine, and now you gotta do it o.g.-style? Yes. Get some needles.
Bobbins. Okay, so a sewing machine works like this: There’s two threads that are cleverly intertwined about the fabric. One of the threads comes from the spool, and the other is stored on a bobbin. Ask your dealer or salesperson to tell you EXACTLY which bobbin fits your machine, and where you can buy them.
Check out this animated gif to learn how bobbins work!
Thread. Buy some. Don’t get the crappy kind. There’s tons, so look for the products suited for your particular fabric. It can match if you want, or contrast, or clash. Up to you…you’re the seamster.
Thimble. Don’t be a tough guy- pointing things hurt once thrust into your flesh. They come in different sizes, so try ‘em on before you purchase.
Marking utensils. You can get tailor’s chalk, chalk pencils, or fabric markers, all of which are made to wipe away or wash away with water.
Check out Sewing For Dudes (and Ladies) No. 2: Stitches and Seams.
